
One of the most useful circuits for the home constructor is the Power Supply Unit. A transformer with tapped secondaries can give a range of output voltages for testing and operating home-made equipment.

This is a PSU in its simplest state. It is an ideal project for the beginner to homebrew. This circuit will deliver up to 3 amperes at 15 volts. The voltage may be reduced to 11.8 (ish) by selecting the 9v tapping. The voltage will of course fall a little when a heavy load is placed upon it. NO OUTPUT CURRENT LIMITING or voltage regulation has been provided. Shorting the output can become quite nasty so take care. The four diodes D1 - D4 may be replaced with a single bridge rectifier component.
The transformer tappings may be selected for any 3 volt increments from 3 volts (4.4v DC out approx) to 24 volts (34v DC out approx). Connect the bridge rectifier to the 9 and 12 volt tranformer taps for 3vDC output. 9 - 15 taps will give about 6.5 volts. 0 - 9 = 11.8 etc. The output voltage is equal to (Vt x 1.4) minus 1.4 volts, where Vt = the transformer tappings used.


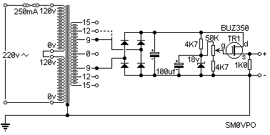
Here the circuit has been modified to include a very simple voltage regulator. This will give an output voltage between 0 volts and 15 volts. The power output transistor must be fitted to a heatsink. Again, NO OUTPUT CURRENT LIMITING is provided so care is still needed. All the component values not marked are the same as in the previous circuit.
The size of the heatsink can be quite complex but here is a guide.
The addition of a voltmeter accross the output terminals will be a distinct advantage. The DRAIN of TR1 is the correct point to insert an ammeter. The power FET chosen normally has the terminals marked (d, s + g).


Here the circuit has been modified to provide current limiting to reduce the output voltage if too much current is demanded. This will reduct the possibility of damaging equipment by drawing excessive current. All component values not marked are the same as in the previous circuits. R1 = 0.7 / Amperes.
Have fun with this circuit. Best regards Harry.
