
Although I am an avid proponent of QRP (using reasonable power levels), there are times when I wish that I could run 1,000,000 watts and point it in a particular direction. If you are reading this then you know exactly what I am writing about. Unfortunately, here in the real world, it is quite expensive to buy or build BIG linear amplifiers - until now.

This is the circuit of a 500 watt linear amplifier, based upon a design by Frits Geerligs, PA0FRI, who has his own homepage at http://home.planet.nl/~fhvgeerligs. The circuit uses four PL519 TV line output valves in a very simple circuit that will deliver over 450 watts at 3.5 MHz (350 watts at 30 MHz). PL519 (40KG6A) is a more robust replacement for the earlier PL509 (40KG6) tube. Both valves will work well in this circuit. The input drive power is about 50 - 100 watts so it is compatible with most amateur radio HF transmitters. Not shown in the circuit is the cooling fan that is required to force air around the valves to cool them. In operation the 1K0 pot is adjusted to set the total valve anode current to around 50mA to 70 mA.
The 50 watt 100 ohm resistor recomended by PA0FRI is formed by two 50 ohm 25 watt non-inductive TO-220 resistors in series, bolted beside the fan. I use 100 x 10K carbon resistors aranged 10 x 10 between two pieces of 0.1" matrix wiring board (veroboard). My method is cheaper and avoids the need to mount input circuitry above chassis. All inputs are kept below the chassis whilst the valve anode terminals and output circuitry is kept below the chassis. The 100pf trimmer capacitor is adjusted for best VSWR from the driving transmitter at 29 MHz.
All four valve heaters (40 volts each) may be wired in series and connected to the 220 volt mains via a 6uf 250vAC capacitor for 50 Hz (5uf for 60 Hz). I personally favour the use of a 40 volt transformer winding, on a home-made transformer, to run all the valves heaters (in parallel) as well as the 40 volt fan. This places less strain on the cathode/heater insulation of old tubes that may have been kicked around in junk boxes for years.
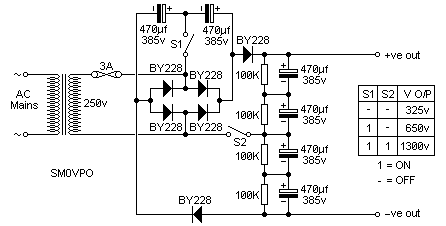
PA0FRI sugests a power supply circuit which is switcheable and delivers 325 volts, 650 volts or 1300 volts to the amplifier. The circuit is very clever, and shown below for your interest.

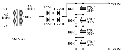
I myself prefer a home wound transformer. This was constructed from an old 500 watt 120/240 volt auto-transformer. Here is the circuit of my PSU (40 volt secondary not shown).

All the old wire was stripped from the transformer as this was of a poor quality (I don't even think it was copper!!). All the laminations were varnished and the 1300 volt secondary was VERY well insulated from the other windings. The windings were:
Winding transformers can be quite involved and I am writing an article for this on another page. But, here is the basic method I used. Measure the available winding area and fill 16% of it with 0.7mm enameled wire, counting the turns. Add an identical winding of the same number of turns. Add a third winding using the same guage but only 36% of the number of turns. Add a fourth winding using ten times the number of turns and using 0.2mm enamelled wire. All windings must be well insulated from each other and the fourth winding must be wound in about five sections, each insulated from the other. I use waxed paper for insulation. Do NOT use adhesive tape, masking tape or sticky backed insulating tape.
Connect the two primaries in series for 240 volt operation or in parallel for 120 volt operation. Check, with a resistance meter, that the transformer windings are isolated from each other and the case. When electrically testing the transformer, connect it to the mains without a load; the mains power in series with a mains 100 watt light-bulb. Check that the two secondaries are about 40 volts and 1100 volts. If the lightbulb lights up then you have got one of the primaries the wrong way round, or there is a fault in transformer construction.
NOTE THAT THE HIGH VOLTAGES INVOLVED WITH THIS PROJECT ARE POTENTIALLY LETHAL AND CAN KILL